Електродвигун 4АЗМ-8000/6000. Ціна в Україні та технічний огляд.
Електродвигун 4АЗМ-8000/6000 - це загальнопромисловий асинхронний двигун потужністю 8000 кВт і підключенням 6000В, із закритою системою вентиляції. Електродвигун 4АЗМ-8000/6000 призначений для роботи всередині приміщень без агресивних парів і газів. Використовується 4АЗМ-8000/6000 для приводу енергетичних машин з нормальним пусковим моментом, як-от мережеві насоси, промислові компресори та холодильні установки. Електродвигун 4АЗМ-8000/6000 складається зі статора, ротора, підшипникових щитів, ввідного пристрою, водяного повітроохолоджувача.

Застосування
Електродвигун 4АЗМ-8000/6000 широко застосовують в енергетиці, в нафтопереробній і гірничодобувній промисловості, а також на атомних станціях і в інших галузях.
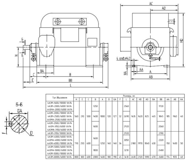
Габаритно-приєднувальні розміри 4АЗМ-8000/6000

Конструктивні особливості
Електродвигун 4АЗМ-8000/6000 має ступінь захисту IP 44 - застосування в приміщенні з підвищеною вологістю. Фази обмоток з'єднуються зіркою. Переважний режим роботи - тривалий (S1). Швидкість обертання валу - 3000 об/хв, вага електродвигуна - 14400 кг.
Розшифровка маркування

Виробники 4АЗМ-8000/6000
ТОВ «Завод великих електричних машин» м. Нова Каховка
ТОВ «ЕЛНАС» (виробництво Китай) м. Харків
Ціна 4АЗМ-8000/6000
Модифікації, рік випуску і виробник визначають ціну електродвигуна 4АЗМ-8000/6000 8000 кВт 3000 об/хв. Також ціна 4АЗМ-8000/6000 УХЛ4 залежить від наявності у постачальника свіжих протоколів високовольтних випробувань у випадку з постачанням примірника складського зберігання.

Електродвигун 4АЗМ-8000/6000. Ціна в Україні та регіони поставки.
Гарантуємо відмінну якість і довговічність наших 4АЗМ-8000/6000. Рекомендуємо купувати тільки нове і якісне обладнання. Забезпечуємо оперативну доставку за аварійними заявками в такі міста України як Київ, Одеса, Тернопіль, Хмельницький, Полтава, Фастів, Миргород, Яготин, Кропивницький, Маріуполь, Лозова, Сєвєродонецьк, Обухів, Рівне, Донецьк, Васильків, Миколаїв, Дніпро, Боярка, Луганськ, Гостомель, Лисичанськ, Вишгород, Запоріжжя, Вінниця, Бровари, Бахмут, Чернігів, Бориспіль, Чернівці, Львів, Івано-Франківськ, Луцьк, Херсон, Ужгород, Суми, Біла Церква, Попасна, Буча, Кременчук, Горлівка, Бердянськ, Березань, Краматорськ, Хмільник, Стрий, Жмеринка, Тульчин, Калуш, Нововолинськ, Ковель, Бердичів, Луцьк, Охтирка, Лубни, Першотравенськ, Новомосковськ, Мелітополь, Виноградів, Українка, Марганець, Ромни, Нікополь, Вишгород, Червоноград, Вільнянськ, Мукачеве, а також 4АЗМ-8000/6000 можна придбати в такі міста як Баштанка, Кам'янське, Бердянськ, Чортків, Ржищів, Кривий Ріг, Павлоград, Шостка, Славутич, Покровськ, Дружківка, Вишневе, Умань, Волноваха, Дрогобич, Коломия, Березань, Костянтинівка, Селидове, Новоград-Волинський, Житомир, Ірпінь, Коростень, Хуст, Косів, Олександрія та інші міста України. Ціна 4АЗМ-8000/6000 УХЛ4 вказана з ПДВ на умовах самовивозу без урахування вартості ЗІП і сертифіката СТ-1. Гарантія 12 місяців від дати відвантаження.
| Основні | |
|---|---|
| Виробник | ЗЗКМ |
| Країна виробник | Україна |
| Користувальницькі характеристики | |
| Вага | 14400 |
| Потужність | 8000 |
- Ціна: 6 650 000 ₴






