Електродвигун ДMTF311-6 це крановий асинхронний двигун, який має фазний ротор і застосуємо в якості приводу всіляких підйомно-кранових механізмів (крани, ліфти, лебідки тощо) Головними особливостями цих машин є можливість варіювання швидкості ротора в широкому діапазоні і плавно, а також можливість отримання максимального крутного моменту при пуску. Електродвигун ДMTF311-6 зарекомендував себе як надійна і проста ремонтопригодная електромашина. Наша компанія успішно поставляє двигуни ДMTF311-6 виробництва АТ "Бавленский електромеханічний завод" з 2006р.
Ціна ДMTF311-6
Ціна ДMTF311-6 від ПП "ОЛ Електро" найнижча в Україні завдяки гарному складського запасу електродвигунів 2007-2009 р. в., які після передпродажної переконсервації зберігають гарантію 18 місяців при ціні на 25-45% нижче машин поточного року випуску, а також оптимальної логістики та мінімальної торгової націнки.
Характеристики електродвигун ДMTF311-6

Загальний вигляд електродвигуна в розрізі:

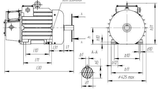
Настановні, габаритні і приєднувальні розміри


Купити електродвигун ДMTF311-6 можна зв'язавшись з фахівцями нашого підприємства

Забезпечуємо оперативну доставку по аварійним заявками в такі міста: Київ, Одеса, Тернопіль, Хмельницький, Полтава, Кіровоград, Сімферополь, Рівне, Донецьк, Миколаїв, Дніпропетровськ, Луганськ, Запоріжжя, Вінниця, Чернігів, Чернівці, Львів, Івано-Франківськ, Луцьк, Херсон, Ужгород, Суми, Біла Церква, Кременчук, Горлівка, Краматорськ та інші міста України.
| Додаткові характеристики | |
|---|---|
| ККД, не менше | 79 % |
| Основні | |
| Кількість фаз | 3 |
| Коефіцієнт потужності | 0.69 |
| Марка двигуна | ДMTF311-6 |
| Матеріал корпусу | Чавун |
| Напруга | 380 В |
| Номінальна потужність | 11 кВт |
| Номінальна сила струму | 42 А |
| Відношення максимального моменту до номінального моменту | 2.8 |
| Ступінь захисту IP | 44 |
| Тип ротора | Фазний |
| Частота обертання | 945 об/хв |
| Частота струму | 50 Гц |
| Колір корпусу | Синій |
| Габаритні розміри | |
| Маса | 178 г |
| Користувальницькі характеристики | |
| Клас нагрівостійкості | F (155 гр. цельсія) |
- Ціна: 17 400 ₴





