Електродвигун ВАСО4-37-24. Ціна в Україні та технічний огляд.
Електродвигун ВАСО4-37-24 - це асинхронна врывозащищенная електромашина, яка виготовлена вертикально на лапах і вихідний кінець валу розташований вгору. Призначений ВАЛТ для запуску апаратів повітряного охолодження без редуктора. Пуск двигуна відбувається від номінального напруги мережі 380В. Електродвигун ВАСО4-37-24 встановлюється і може експлуатуватися у внутрішніх, а також зовнішніх електроустановках, на вибухонебезпечних виробництвах хімічної і газової галузей промисловості, де можуть виникати вибухонебезпечні газоповітряні і пилоповітряні суміші.
Характеристика електродвигуна ВАСО4-37-24

Конструктивні особливості:
Електродвигун ВАСО4-37-24 має ступінь захисту IP 54 – це означає, що під час експлуатації, електродвигун захищений від попадання предметів всередину корпусу та від бризок води під кутом 60%. Фази обмотки з'єднуються зіркою. Кращий режим роботи – тривалий (S1). Охолодження - повітряне.
Розшифровка маркування електродвигуна ВАСО4-37-24
ВАСОХ-Y-ZХ1 - вибухозахищений асинхронний спеціальний обдувається;
Х - номер серії;
Y - потужність, кВт;
Z - кількість полюсів;
Х1 - кліматичне виконання (У,ХЛ,Т) і категорії розміщення
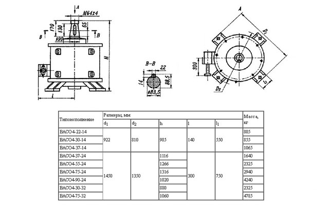
Габаритно-приєднувальні розміри ВАСО4-37-24

Електродвигун ВАСО4-37-24 37кВт 250 об/хв. Ціна в Україні.
Осуществляем поставку по всей Украине, включая такие города как Киев, Одесса, Тернополь, Хмельницкий, Полтава, Кировоград, Симферополь, Ровно, Донецк, Николаев, Днепропетровск, Луганск, Запорожье, Винница, Чернигов, Черновцы, Львов, Ивано-Франковск, Луцк, Херсон, Ужгород, Сумы, Белая Церковь, Кременчуг, Горловка, Краматорск и другие города Украины. Возможен экспорт в Казахстан, Узбекистан, Армения, Грузия, Азербайджан, Белоруссия, Молдова. Цена ВАСО 4-37-24 указана с НДС на условиях самовывоза. Гарантия 12 месяцев от даты отгрузки.
- Ціна: 186 500 ₴




